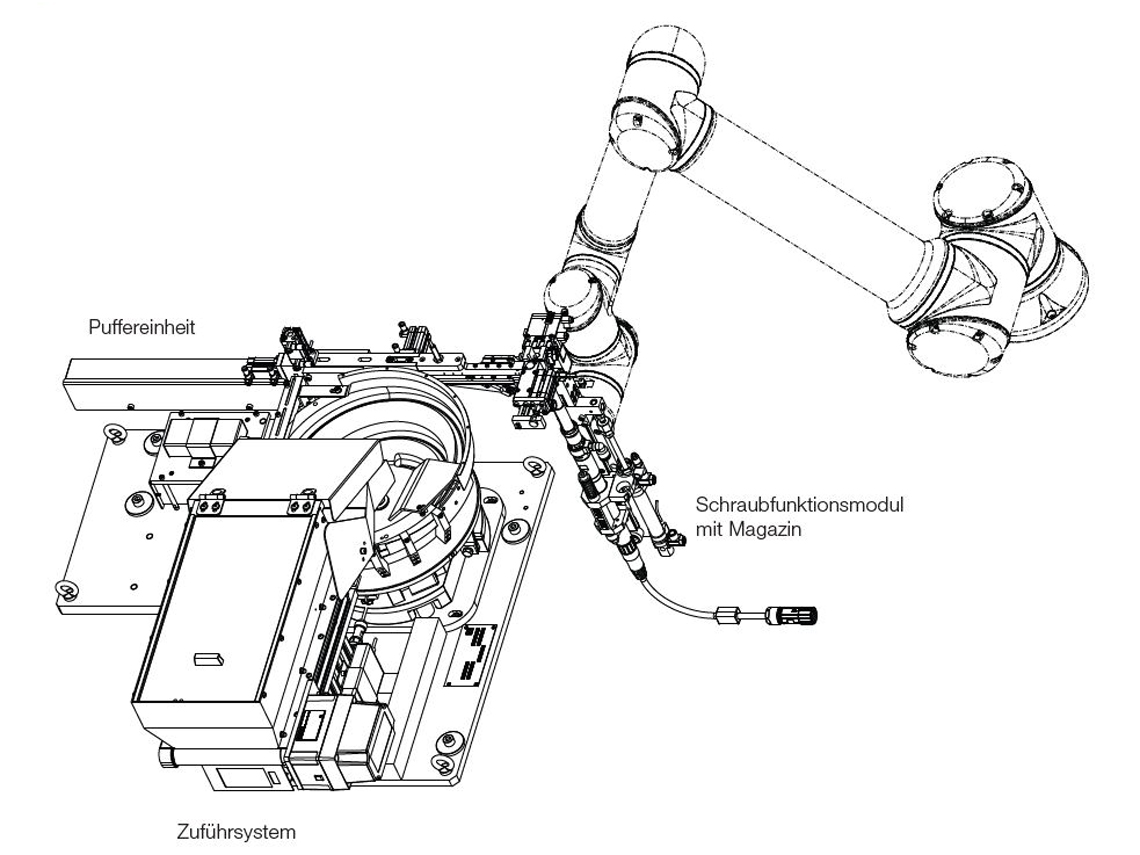
Module de fonction de vissage avec magasin

Combinez les avantages d’un système pick and place et ceux d’un approvisionnement en vis par flexible d’alimentation. La solution parfaite pour votre système de robotisation, avec une flexibilité maximale. De haut en bas, de bas en haut, à l’horizontale ou dans n’importe quel angle: le module avec magasin permet toutes les positions de vissage.

Vos atouts

  • Flexible : convient également pour les formes de pièces complexes
  • Propre sur le plan technique : moins d’impuretés sur la pièce
  • Économique : durée de cycle optimisée et productivité élevée, faible usure, pose aisée du flexible d’alimentation

Le nombre ajustable de vis dans le magasin permet une préparation optimale au processus de montage suivant.

Votre contact

Cédric Schmitt
Product Management

Cédric Schmitt

Product Manager

Domaines de compétences :
TECHNIQUE DE VISSAGE & MOTEURS PNEUMATIQUES, PRESSES MANUELLES & PNEUMATIQUES

Quelles applications ?

Le module de fonction de vissage avec magasin est particulièrement adapté pour les vis à tête lourde et pour les éléments à visser difficiles d’accès, avec contours irréguliers. Le poids limité du module de fonction de vissage avec magasin convient idéalement pour les applications utilisant des robots de construction légers.

Données techniques

Couple de serrage max.20 Nm (librement paramétrable)
Nombre de vis dans le magasin15 pièces
Hauteur max. des contours irréguliers59 mm
Tension de fonctionnement24 volts
Pression de fonctionnement6 bars
Poids6 kg

 

Télécharger prospectus